お知らせ
事業内容
会員事業者
会員名簿
観光・地域情報
リンク集
お知らせ
事業内容
会員事業者
会員名簿
観光・地域情報
リンク集
×
閉じる
お知らせ
ホーム
>
お知らせ
>
会員の皆様へ
>
大型車の車輪脱落事故防止に係る緊急対策の実施について
大型車の車輪脱落事故防止に係る緊急対策の実施について
「大型車の車輪脱落事故防止に係る緊急対策の実施について」については下記PDFデータをご覧ください。
【通知】 大型車の車輪脱落事故防止
【緊急対策】
【事業者あて、整備間管理者あて】
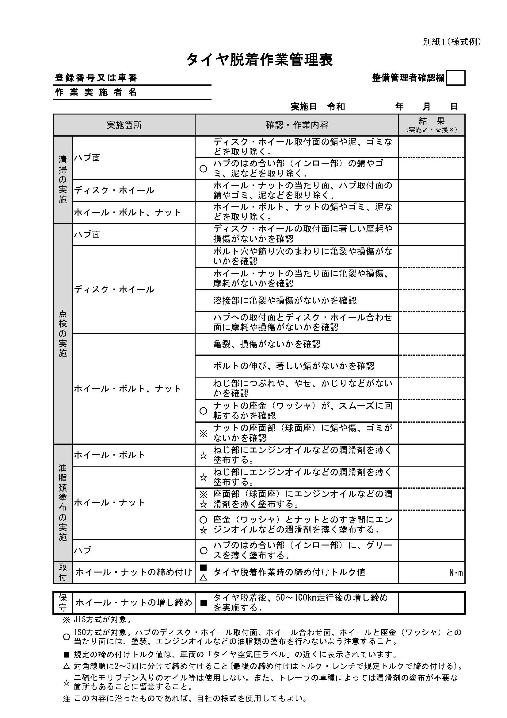
(別紙1)タイヤ脱着作業管理表
(別紙2)日常点検表_1日用
(別紙3)啓発チラシ1
(別紙4)啓発チラシ2
ニュース一覧